凸輪轉子泵維修技術要點分析
摘要:凸輪轉子泵是化纖生產中物料(漿料)榆送系統的重要設備,介紹其技術性能、常見故障分析和維修技術要點,為設備通過管道連續…
銷售熱線
021-56082699 56081570
電子郵箱
likaimp@163.com
摘要:凸輪轉子泵是化纖生產中物料(漿料)榆送系統的重要設備,介紹其技術性能、常見故障分析和維修技術要點,為設備通過管道連續…
摘要:在化工領域,考慮到一次投賚成本和維修簡便,很多裝置內輸送物料場合業主習慣選用離心泵的轉子泵型比較多,而轉子泵如螺桿…
隨著生活水平和健康意識的不斷提高,人們對于食品安全的要求也越來越高。在食品及藥品生產過程中越來越多地采用了全自動化控制…
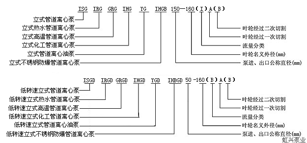
ISG系列單級單吸立式管道離心泵,采用IS型離心泵之性能參數,在一般立式泵的基礎上進行巧妙組合設計而成。同時根據使用溫度、介質等不同在ISG型基礎上派出適用熱水、高溫、腐蝕性化工泵、油泵。
ISG系列單級單吸立式管道離心泵,采用IS型離心泵之性能參數,在一般立式泵的基礎上進行巧妙組合設計而成。同時根據使用溫度、介質等不同在ISG型基礎上派出適用熱水、高溫、腐蝕性化工泵、油泵。該系列產品具有節能、噪音低、性能可靠等優點。
1、泵為立式結構,進出口口徑相同,且位于同一中心線上,可象閥門一樣安裝于管路之中,外形緊湊美觀,占地面積小,建筑投入低,如加上防護罩則可置于戶外使用。
2、葉輪直接安裝在電機的加長軸上,軸向尺寸短,結構緊湊,泵與電機軸承配置合理,能有效地平衡泵運轉產生的徑向和軸向負荷,從而保證了泵的運行平穩,振動小、噪音低。
3、軸封采用機械密封或機械密封組合,采用進口鈦合金密封環、中型耐高溫機械密封和采用硬質合金材質,耐磨密封,能有效地延長機械密封的使用壽命。
4、安裝檢修方便,無需拆動管道路系統,只要卸下泵聯體座螺母即可抽出全部轉子部件。
5、可根據使用要求即流量和揚程的需要采用泵的串、并聯運行方式。
6、可根據管路布置的要求采用泵的豎式和橫式安裝。
1、吸入壓力≤1.0MPa,或泵系統高達工作壓力≤1.6MPa,即泵吸入口壓力+泵揚程≤1.6MPa,泵靜壓試驗壓力為2.5MPa,訂貨時請注明系統工作壓力。泵系統工作壓力大于1.6MPa時應在訂貨時另行提出,以便在制造時泵的過流部分和聯接部分采用鑄鋼材料。
2、環境溫度<40℃,相對濕度<95%。
3、所輸送介質中固體顆粒體積含量不超過單位體積的0.1%,粒度<0.2mm。 注:如使用介質為帶有細小顆粒,請在訂貨時說明,以便廠家采用耐磨式機械密封。

1、ISG型立式管道離心泵,供輸送清水及物理化學性質類似于清水的其他液體之用,適用于工業和城市給排水、高層建筑增壓送水、園林噴灌、消防增壓、遠距離輸送、暖通制冷循環、浴室等冷暖水循環增壓及設備配套,使用溫度T<80℃。
2、IRG(GRG)型立式熱水(高溫)循環泵廣泛適用于:能源、冶金、化工、紡織、造紙,以及賓館飯店等鍋爐高溫熱水增壓循環輸送及城市采用暖系統循環用泵,IRG型使用溫度T<120℃,珀GRG型使用溫度T<240℃。
3、IHG型立式管道化工泵,供輸送不含固體顆粒,具有腐蝕性,粘度類似于水的液體,適用于石油、化工、冶金、電力、造紙、食品制藥和合成纖維等部門,使用溫度為20℃~+120℃。
4、YG型立式管道油泵,供輸送汽油、煤油、柴油等石油產品,被輸送介質溫度為-20℃~+120℃。
上一條: GDL型立式多級管道泵
下一條: SG型管道泵